|
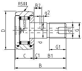
British Raised Wheel
CR..V
CR..VBR
CR..VBUU
CR..VBUUR
CF..S
CF..SB
CCF..S
CCF..SB |
 |
 |
 |
 |
|
| Diameter of bolt |
Model and mass approx |
External dimensions
|
|
| Without seal ring, Without holding rack |
With seal ring, Without holding rack |
With seal ring Full attire roller pin |
G |
D |
Thread
UNF |
C |
B1 |
B |
G1 |
g1 |
| Cylindrical outer ulley |
Spherical outer pulley |
Cylindrical outer pulley |
Spherical outer pulley |
Cylindrical outer pulley |
Spherical outer pulley |
| mm |
inch |
inch/mm |
inch/mm |
inch/mm |
inch/mm |
inch/mm |
inch/mm |
inch/m m |
|
| 0.190 |
4.826 |
CR 8 VB |
CR 8 VBR |
CR 8 VBUU |
CR 8 VBUUR |
CF-1/2-N-SB |
CCF-1/2-N-SB |
0.190 |
4.826 |
1/2 |
12.700 |
10-32 |
11/32 |
8.731 |
1/2 |
12.7 |
7/8 |
22.225 |
1/4 |
6.350 |
|
|
| 0.190 |
4.826 |
CR 8-1 VB |
CR 8-1 VBR |
CR 8-1 VBUU |
CR 8-1 VBUUR |
CF-1/2-SB |
CCF-1/2-SB |
0.190 |
4.826 |
1/2 |
12.700 |
10-32 |
3/8 |
9.525 |
5/8 |
15.875 |
1 1/32 |
26.194 |
1/4 |
6.350 |
|
|
| 0.190 |
4.826 |
|
|
|
|
CF-9/16-SB |
CCF-9/16-SB |
0.190 |
4.826 |
0.5625 |
14.2875 |
10-32 |
3/8 |
9.525 |
5/8 |
15.875 |
1 1/32 |
26.194 |
1/4 |
6.350 |
|
|
| 1/4 |
6.35 |
CR 10 VB |
CR 10 VBR |
CR 10 VBUU |
CR 10 VBUUR |
CF-5/8-N-SB |
CCF-5/8-N-SB |
1/4 |
6.35 |
5/8 |
15.875 |
1/4ĄŻĄŻ-28 |
13/32 |
10.319 |
5/8 |
15.875 |
1 1/16 |
26.988 |
5/16 |
7.938 |
|
|
| 1/4 |
6.35 |
CR 10-1 VB |
CR 10-1 VBR |
CR 10-1 VBUU |
CR 10-1 VBUUR |
CF-5/8-SB |
CCF-5/8-SB |
1/4 |
6.35 |
5/8 |
15.875 |
1/4ĄŻĄŻ-28 |
7/16 |
11.112 |
3/4 |
19.05 |
1 7/32 |
30.956 |
5/16 |
7ŁŽ938 |
|
|
| 1/4 |
6.35 |
|
|
|
|
CF-11/16-SB |
CCF-11/16-SB |
1/4 |
6.35 |
0.6875 |
17.4625 |
1/4ĄŻĄŻ-28 |
7/16 |
11.112 |
3/4 |
19.05 |
1 7/32 |
30.956 |
5/16 |
7ŁŽ938 |
|
|
| 3/8 |
9.525 |
CR 12 VB |
CR 12 VBR |
CR 12 VBUU |
CR 12 VBUUR |
CF-3/4-SB |
CCF-3/4-SB |
3/8 |
9.525 |
3/4 |
19.050 |
3/8ĄŻĄŻ-24 |
1/2 |
12.700 |
7/8 |
22.225 |
1 13/32 |
35.719 |
3/8 |
9.525 |
3/16 |
4.762 |
| 3/8 |
9.525 |
CR 14 VB |
CR 14 VBR |
CR 14 VBUU |
CR 14 VBUUR |
CF-7/8-SB |
CCF-7/8-SB |
3/8 |
9.525 |
7/8 |
22.225 |
3/8ĄŻĄŻ-24 |
1/2 |
12.700 |
7/8 |
22.225 |
1 13/32 |
35.719 |
3/8 |
9.525 |
3/16 |
4.762 |
| 7/16 |
11.112 |
CR 16 VB |
CR 16 VBR |
CR 16 VBUU |
CR 16 VBUUR |
CF-1-SB |
CCF-1-SB |
7/16 |
11.112 |
1 |
25.400 |
7/16ĄŻĄŻ-20 |
5/8 |
15.875 |
1 |
25.4 |
1 21/32 |
42.069 |
1/2 |
12.700 |
3/16 |
4.762 |
| 7/16 |
11.112 |
CR 18 VB |
CR 18 VBR |
CR 18 VBUU |
CR 18 VBUUR |
CF-1 1/8-SB |
CCF-1 1/8-SB |
7/16 |
11.112 |
1 1/8 |
28.575 |
7/16ĄŻĄŻ-20 |
5/8 |
15.875 |
1 |
25.4 |
1 21/32 |
42.069 |
1/2 |
12.700 |
3/16 |
4.762 |
| 1/2 |
12.700 |
CR 20 VB |
CR 20 VBR |
CR 20 VBUU |
CR 20 VBUUR |
CF-1 1/4-SB |
CCF-1 1/4-SB |
1/2 |
12.700 |
1 1/4 |
31.750 |
1/2ĄŻĄŻ-20 |
3/4 |
19.050 |
1 1/4 |
31.75 |
2 1/32 |
51.594 |
5/8 |
15.875 |
3/16 |
4.762 |
| 1/2 |
12.700 |
CR 22 VB |
CR 22 VBR |
CR 22 VBUU |
CR 22 VBUUR |
CF-1 3/8-SB |
CCF-1 3/8-SB |
1/2 |
12.700 |
1 3/8 |
34.925 |
1/2ĄŻĄŻ-20 |
3/4 |
19.050 |
1 1/4 |
31.75 |
2 1/32 |
51.594 |
5/8 |
15.875 |
3/16 |
4.762 |
| 5/8 |
15.875 |
CR 24 VB |
CR 24 VBR |
CR 24 VBUU |
CR 24 VBUUR |
CF-1 1/2-SB |
CCF-1 1/2-SB |
5/8 |
15.875 |
1 1/2 |
38.100 |
5/8ĄŻĄŻ-18 |
7/8 |
22.225 |
1 1/2 |
38.1 |
2 13/32 |
61.119 |
3/4 |
19.050 |
3/16 |
4.762 |
| 5/8 |
15.875 |
CR 26 VB |
CR 26 VBR |
CR 26 VBUU |
CR 26 VBUUR |
CF-1 5/8-SB |
CCF-1 5/8-SB |
5/8 |
15.875 |
1 5/8 |
41.275 |
5/8ĄŻĄŻ-18 |
7/8 |
22.225 |
1 1/2 |
38.1 |
2 13/32 |
61.119 |
3/4 |
19.050 |
3/16 |
4.762 |
| 3/4 |
19.050 |
CR 28 VB |
CR 28 VBR |
CR 28 VBUU |
CR 28 VBUUR |
CF-1 3/4-SB |
CCF-1 3/4-SB |
3/4 |
19.050 |
1 3/4 |
44.450 |
3/4ĄŻĄŻ-16 |
1 |
25.400 |
1 3/4 |
44.45 |
2 25/32 |
70.644 |
7/8 |
22.225 |
3/16 |
4.762 |
| 3/4 |
19.050 |
CR 30 VB |
CR 30 VBR |
CR 30 VBUU |
CR 30 VBUUR |
CF-1 7/8-SB |
CCF-1 7/8-SB |
3/4 |
19.050 |
1 7/8 |
47.625 |
3/4ĄŻĄŻ-16 |
1 |
25.400 |
1 3/4 |
44.45 |
2 25/32 |
70.644 |
7/8 |
22.225 |
3/16 |
4.762 |
| 7/8 |
22.225 |
CR 32 VB |
CR 32 VBR |
CR 32 VBUU |
CR 32 VBUUR |
CF-2-SB |
CCF-2-SB |
7/8 |
22.225 |
2 |
50.800 |
7/8ĄŻĄŻ-14 |
1 1/4 |
31.750 |
2 |
50.8 |
3 9/32 |
83.344 |
1 |
25.400 |
3/16 |
4.762 |
| 7/8 |
22.225 |
CR 36 VB |
CR 36 VBR |
CR 36 VBUU |
CR 36 VBUUR |
CF-2 1/4-SB |
CCF-2 1/4-SB |
7/8 |
22.225 |
2 1/4 |
57.150 |
7/8ĄŻĄŻ-14 |
1 1/4 |
31.750 |
2 |
50.8 |
3 9/32 |
83.344 |
1 |
25.400 |
3/16 |
4.762 |
| 1 |
25.400 |
CR 40 VB |
CR 40 VBR |
CR 40 VBUU |
CR 40 VBUUR |
CF-2 1/2-SB |
CCF-2 1/2-SB |
1 |
25.400 |
2 1/2 |
63.5 |
1-14 |
1 1/2 |
38.1 |
2 1/4 |
57.15 |
3 25/32 |
96.043 |
1 1/8 |
28.575 |
3/16 |
4.762 |
| 1 |
25.4 |
CR 44 VB |
CR 44 VBR |
CR 44 VBUU |
CR 44 VBUUR |
CF-2 3/4-SB |
CCF-2 3/4-SB |
1 |
25.4 |
2 3/4 |
69.85 |
1-14 |
1 1/2 |
38.1 |
2 1/4 |
57.15 |
3 25/32 |
96.043 |
1 1/8 |
28.575 |
3/16 |
4.762 |
| 1 1/4 |
31.75 |
CR 48 VB |
CR 48 VBR |
CR 48 VBUU |
CR 48 VBUUR |
CF-3-SB |
CCF-3-SB |
1 1/4 |
31.75 |
3 |
76.2 |
1 1/4-12 |
1 3/4 |
44.45 |
2 1/2 |
63.5 |
4 9/32 |
108.743 |
1 1/4 |
31.75 |
1/4 |
6.35 |
| 1 1/4 |
31.75 |
CR 52 VB |
CR 52 VBR |
CR 52 VBUU |
CR 52 VBUUR |
CF-3 1/4-SB |
CCF-3 1/4-SB |
1 1/4 |
31.75 |
3 1/4 |
82.55 |
1 1/4-12 |
1 3/4 |
44.45 |
2 1/2 |
63.5 |
4 9/32 |
108.743 |
1 1/4 |
31.75 |
1/4 |
6.35 |
| 1 3/8 |
34.925 |
CR 56 VB |
CR 56 VBR |
CR 56 VBUU |
CR 56 VBUUR |
CF-3 1/2-SB |
CCF-3 1/2-SB |
1 3/8 |
34.925 |
3 1/2 |
88.9 |
1 3/8-12 |
2 |
50.8 |
2 3/4 |
69.85 |
4 25/32 |
121.443 |
1 3/8 |
34.925 |
1/4 |
6.35 |
| 1 1/2 |
38.1 |
CR 64 VB |
CR 64 VBR |
CR 64 VBUU |
CR 64 VBUUR |
CF-4-SB |
CCF-4-SB |
1 1/2 |
38.1 |
4 |
101.6 |
1 1/2-12 |
2 1/4 |
57.15 |
3 1/2 |
88.9 |
4 25/32 |
121.443 |
1 1/2 |
38.1 |
1/4 |
6.35 |
|
1. If you need particular accessories, such as lubrication injection fitting, bolt or blanking adapter, give it clear in the order.
2. All the above curving rollers are hexagon type. If you need in-line type, give it clear particularly in the order.
3. All the above curving rollers belong to light series. If you need heavy series curving roller, such as CRH 12 VBUU, give it clear particularly in the order.
Foreign Corporation Model Reference Table
| Overseas merchant
/ Model explanation |
TORRINGTON |
SMITH |
RBC |
Mc.GILL |
IKO |
| Full-complement roller |
Hex Hole |
Cylindrical Roller Dia. |
UNSEALED |
|
CR..B |
S..W |
CF..B |
CR..VB |
| SEALED |
CRSB |
CR..XB |
S..LW |
CF..SB |
CR..VBUU |
| Crowned Roller Dia. |
UNSEALED |
|
CR..BC |
|
CCF..B |
CR..VBR |
| SEALED |
CRSBC |
CR..XBC |
CS..LW |
CCF..SB |
CR..VBUUR |
| Screwdriver slot for mounting. |
Cylindrical Roller Dia. |
UNSEALED |
CR |
CR.. |
S |
CF |
CR..V |
| SEALED |
CRS |
CR..X |
S..L |
CF..S |
CR..VUU |
| Crowned Roller Dia. |
UNSEALED |
|
CR..C |
|
CCF |
CR..VR |
| SEALED |
CRSC |
CR..XC |
CS..L |
CCF..S |
CR..VUUR |
1. All the above curving rollers are not eccentric. If you need eccentric type, give it clear particularly in the order. |
|