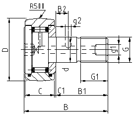
Axle diameter
|
Model and mass approx |
External dimensions
|
nut screws tight the distance of force
|
Basic fixed load
|
| Without seal ring, With holding rack |
With seal ring, With holding rack |
Single weight |
D |
d |
C |
B |
B1 |
B2 |
G |
G1 |
g1 |
g2 |
Cr
Dynamic |
Cor Static |
| mm |
Overseas code number |
Domestic code number |
Overseas code number |
Domestic code number |
| g |
mm |
Kgf ¡£ m |
kgf |
| 4 |
CF 4 B |
|
CF 4 BUU |
|
7.4 |
12 |
4 |
8 |
20 |
11 |
-- |
M4X0.7 |
6 |
-- |
-- |
0.08 |
210 |
220 |
| 5 |
CF 5 B |
KR 13 |
CF 5 BUU |
KR 13 PP |
10.3 |
13 |
5 |
9 |
23 |
13 |
-- |
M5X0.8 |
7.5 |
-- |
-- |
0.23 |
260 |
280 |
| 6 |
CF 6 B |
KR 16 |
CF 6 BUU |
KR 16 PP |
18.5 |
16 |
6 |
11 |
28 |
16 |
-- |
M6X1 |
8 |
-- |
-- |
0.3 |
370 |
400 |
| 8 |
CF 8 B |
KR 19 |
CF 8 BUU |
KR 19 PP |
28.5 |
19 |
8 |
11 |
32 |
20 |
-- |
M8X1.25 |
10 |
-- |
-- |
0.8 |
430 |
630 |
| 10 |
CF 10 B |
KR 22 |
CF 10 BUU |
KR 22 PP |
45 |
22 |
10 |
12 |
36 |
23 |
-- |
M10X1.25 |
12 |
-- |
-- |
1.2 |
550 |
670 |
| CF 10-1 B |
KR 26 |
CF 10-1 BUU |
KR 26 PP |
60 |
26 |
10 |
12 |
36 |
23 |
-- |
M10X1.25 |
12 |
-- |
-- |
1.2 |
550 |
670 |
| 12 |
CF 12 B |
KR 30 |
CF 12 BUU |
KR 30 PP |
95 |
30 |
12 |
14 |
40 |
25 |
6 |
M12X1.5 |
13 |
6 |
3 |
2.2 |
810 |
900 |
| CF 12-1 B |
KR 32 |
CF 12-1 BUU |
KR 32 PP |
105 |
32 |
12 |
14 |
40 |
25 |
6 |
M12X1.5 |
13 |
6 |
3 |
2.2 |
810 |
900 |
| 16 |
CF 16 B |
KR 35 |
CF 16 BUU |
KR 35 PP |
169 |
35 |
16 |
18 |
52 |
32.5 |
8 |
M16X1.5 |
17 |
6 |
3 |
5.8 |
1230 |
1560 |
| 18 |
CF 18 B |
KR 40 |
CF 18 BUU |
KR 40 PP |
250 |
40 |
18 |
20 |
58 |
36.5 |
8 |
M18X1.5 |
19 |
6 |
3 |
8.5 |
1500 |
2500 |
| 20 |
CF 20-1 B |
KR 47 |
CF 20-1 BUU |
KR 47 PP |
386 |
47 |
20 |
24 |
66 |
40.5 |
9 |
M20X1.5 |
21 |
8 |
4 |
12 |
2110 |
3140 |
| CF 20 B |
KR 52 |
CF 20 BUU |
KR 52 PP |
461 |
52 |
20 |
29 |
66 |
40.5 |
9 |
M20X1.5 |
21 |
8 |
4 |
12 |
2110 |
3140 |
| 24 |
CF 24 B |
KR 62 |
CF 24 BUU |
KR 62 PP |
815 |
62 |
24 |
29 |
80 |
49.5 |
11 |
M24X1.5 |
25 |
8 |
4 |
22 |
3110 |
3840 |
| CF 24-1 B |
KR 72 |
CF 24-1 BUU |
KR 72 PP |
1140 |
72 |
24 |
29 |
80 |
49.5 |
11 |
M24X1.5 |
25 |
8 |
4 |
22 |
3110 |
3840 |
| 30 |
CF 30 B |
KR 80 |
CF 30 BUU |
KR 80 PP |
1870 |
80 |
30 |
35 |
100 |
63 |
15 |
M30X1.5 |
32 |
8 |
4 |
46 |
4630 |
6300 |
| CF 30-1 B |
KR 85 |
CF 30-1 BUU |
KR 85 PP |
2030 |
85 |
30 |
35 |
100 |
63 |
15 |
M30X1.5 |
32 |
8 |
4 |
46 |
4630 |
6300 |
| CF 30-2 B |
KR 90 |
CF 30-2 BUU |
KR 90 PP |
2220 |
90 |
30 |
35 |
100 |
63 |
15 |
M30X1.5 |
32 |
8 |
4 |
46 |
4630 |
6300 |
Remark:
1. Basic rated load in the table is for reference only.
2. If the bearing adopts cylindrical outer pulley or spherical outer pulley, suffix R or X to bearing model.
Example:
| Overseas code number |
Domestic code number |
| Cylindrical outer pulley |
Spherical outer pulley |
Cylindrical outer pulley |
Spherical outer pulley |
| CF5 |
CF5 R |
KR13 X |
KR13 |
| CF10 |
CF10 R |
KR22 X |
KR22 |
3. If you need particular accessories, such as lubrication injection fitting, bolt or blanking adapter, give it clear in the order.
4. All the above curving rollers are hexagon type. If you need in-line type, give it clear particularly in the order.
5. All the above curving rollers are not eccentric. If you asks for eccentric type, like KRE 16 or CFE 16 BUU, give it clear particularly in the order.
Foreign Corporation Model Reference Table
| Overseas merchant Model explanation |
IKO |
INA/SKF |
Mc.GILL |
|
With cage |
Hex Hole |
Cylindrical Roller Dia. |
UNSEALED |
CF..B |
|
MCFR..BX |
|
SEALED |
CF..BUU |
|
MCFR..SBX |
|
Crowned Roller Dia. |
UNSEALED |
CF..BR |
|
MCFR..B |
|
SEALED |
CF..BUUR |
KR..PP |
MCFR..SB |
| Screwdriver slot for mounting. |
Cylindrical Roller Dia. |
UNSEALED |
CF |
KR..X |
MCFR..X |
|
SEALED |
CF..UU |
KR..PPX |
MCFR..SX |
|
Crowned Roller Dia. |
UNSEALED |
CF..R |
KR |
MCFR.. |
|
SEALED |
CF..UUR |
KR..PP |
MCFR..S |
|
Full-complement roller |
Hex Hole |
Cylindrical Roller Dia. |
UNSEALED |
CF..VB |
|
MCF..BX |
|
SEALED |
CF..VBUU |
|
MCF..SBX |
|
Crowned Roller Dia. |
UNSEALED |
CF..VBR |
|
MCF..B |
|
SEALED |
CF..VBUUR |
KRV..PP |
MCF..SB |
| Screwdriver slot for mounting. |
Cylindrical Roller Dia. |
UNSEALED |
CF..V |
KRV..X |
MCF..X |
|
SEALED |
CF..VUU |
KRV..PPX |
MCF..SX |
|
Crowned Roller Dia. |
UNSEALED |
CF..VR |
KRV |
MCF.. |
|
SEALED |
CF..VUUR |
KRV..PP |
MCF..S |
The bolt of CYJ curving roller is quenched. In order to avoid stress concentration, the exterior surface on the thick wall of roller is arc. The curving roller has many types, with double or single seal ring, or without seal ring. The roller with seal ring has large space for storing lubricant grease, so it can provide long-term lubrication and can prolong lubricating interval. The seal ring may be made from N220 or PTFE. Its running temperature is among -30¡ãC- +100¡ãC or -30¡ãC - +180¡ãC. Sealed curving roller can bear larger load but its rotate speed is very slow and it has to be lubricated usually. |