![]() |
||
|
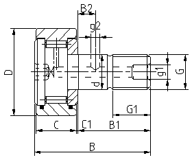
| 轴径 | 轴承型号及近似单重 | 外形尺寸 | 螺母拧紧力矩 | 基本额定负荷 | ||||||||||||||
| 无密封圈、有保持架 | 带密封圈、有保持架 | 单重 | D | d | C | B | B1 | B2 | G | G1 | g1 | g2 | 动 Cr Dynamic | 静 Cor Static | ||||
| mm | 国外代号 | 国内代号 | 国外代号 | 国内代号 | ||||||||||||||
| g | mm | Kgf 。 m | kgf | |||||||||||||||
| 4 | CF 4 B | CF 4 BUU | 7.4 | 12 | 4 | 8 | 20 | 11 | -- | M4X0.7 | 6 | -- | -- | 0.08 | 210 | 220 | ||
| 5 | CF 5 B | KR 13 | CF 5 BUU | KR 13 PP | 10.3 | 13 | 5 | 9 | 23 | 13 | -- | M5X0.8 | 7.5 | -- | -- | 0.23 | 260 | 280 |
| 6 | CF 6 B | KR 16 | CF 6 BUU | KR 16 PP | 18.5 | 16 | 6 | 11 | 28 | 16 | -- | M6X1 | 8 | -- | -- | 0.3 | 370 | 400 |
| 8 | CF 8 B | KR 19 | CF 8 BUU | KR 19 PP | 28.5 | 19 | 8 | 11 | 32 | 20 | -- | M8X1.25 | 10 | -- | -- | 0.8 | 430 | 630 |
| 10 | CF 10 B | KR 22 | CF 10 BUU | KR 22 PP | 45 | 22 | 10 | 12 | 36 | 23 | -- | M10X1.25 | 12 | -- | -- | 1.2 | 550 | 670 |
| CF 10-1 B | KR 26 | CF 10-1 BUU | KR 26 PP | 60 | 26 | 10 | 12 | 36 | 23 | -- | M10X1.25 | 12 | -- | -- | 1.2 | 550 | 670 | |
| 12 | CF 12 B | KR 30 | CF 12 BUU | KR 30 PP | 95 | 30 | 12 | 14 | 40 | 25 | 6 | M12X1.5 | 13 | 6 | 3 | 2.2 | 810 | 900 |
| CF 12-1 B | KR 32 | CF 12-1 BUU | KR 32 PP | 105 | 32 | 12 | 14 | 40 | 25 | 6 | M12X1.5 | 13 | 6 | 3 | 2.2 | 810 | 900 | |
| 16 | CF 16 B | KR 35 | CF 16 BUU | KR 35 PP | 169 | 35 | 16 | 18 | 52 | 32.5 | 8 | M16X1.5 | 17 | 6 | 3 | 5.8 | 1230 | 1560 |
| 18 | CF 18 B | KR 40 | CF 18 BUU | KR 40 PP | 250 | 40 | 18 | 20 | 58 | 36.5 | 8 | M18X1.5 | 19 | 6 | 3 | 8.5 | 1500 | 2500 |
| 20 | CF 20-1 B | KR 47 | CF 20-1 BUU | KR 47 PP | 386 | 47 | 20 | 24 | 66 | 40.5 | 9 | M20X1.5 | 21 | 8 | 4 | 12 | 2110 | 3140 |
| CF 20 B | KR 52 | CF 20 BUU | KR 52 PP | 461 | 52 | 20 | 29 | 66 | 40.5 | 9 | M20X1.5 | 21 | 8 | 4 | 12 | 2110 | 3140 | |
| 24 | CF 24 B | KR 62 | CF 24 BUU | KR 62 PP | 815 | 62 | 24 | 29 | 80 | 49.5 | 11 | M24X1.5 | 25 | 8 | 4 | 22 | 3110 | 3840 |
| CF 24-1 B | KR 72 | CF 24-1 BUU | KR 72 PP | 1140 | 72 | 24 | 29 | 80 | 49.5 | 11 | M24X1.5 | 25 | 8 | 4 | 22 | 3110 | 3840 | |
| 30 | CF 30 B | KR 80 | CF 30 BUU | KR 80 PP | 1870 | 80 | 30 | 35 | 100 | 63 | 15 | M30X1.5 | 32 | 8 | 4 | 46 | 4630 | 6300 |
| CF 30-1 B | KR 85 | CF 30-1 BUU | KR 85 PP | 2030 | 85 | 30 | 35 | 100 | 63 | 15 | M30X1.5 | 32 | 8 | 4 | 46 | 4630 | 6300 | |
| CF 30-2 B | KR 90 | CF 30-2 BUU | KR 90 PP | 2220 | 90 | 30 | 35 | 100 | 63 | 15 | M30X1.5 | 32 | 8 | 4 | 46 | 4630 | 6300 | |
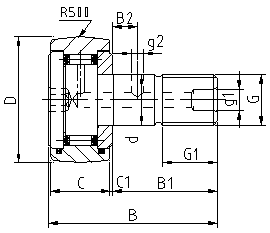
| 国外代号 | 国内代号 | ||
| 圆筒外轮 | 球面外轮 | 圆筒外轮 | 球面外轮 |
| CF5 | CF5 R | KR13 X | KR13 |
| CF10 | CF10 R | KR22 X | KR22 |
| 国外厂商 型号说明 |
IKO | INA/SKF | Mc.GILL | |||
| 有保持架 With cage |
六角孔 Hex Hole |
圆筒外轮 Cylindrical Roller Dia. |
无密封圈UNSEALED | CF..B | MCFR..BX | |
| 带密封圈SEALED | CF..BUU | MCFR..SBX | ||||
| 球面外轮 Crowned Roller Dia. |
无密封圈UNSEALED | CF..BR | MCFR..B | |||
| 带密封圈SEALED | CF..BUUR | KR..PP | MCFR..SB | |||
| 一字槽 Screwdriver slot for mounting. |
圆筒外轮 Cylindrical Roller Dia. |
无密封圈UNSEALED | CF | KR..X | MCFR..X | |
| 带密封圈SEALED | CF..UU | KR..PPX | MCFR..SX | |||
| 球面外轮 Crowned Roller Dia. |
无密封圈UNSEALED | CF..R | KR | MCFR.. | ||
| 带密封圈SEALED | CF..UUR | KR..PP | MCFR..S | |||
| 满装滚针 Full-complement roller |
六角孔 Hex Hole | 圆筒外轮 Cylindrical Roller Dia. |
无密封圈UNSEALED | CF..VB | MCF..BX | |
| 带密封圈SEALED | CF..VBUU | MCF..SBX | ||||
| 球面外轮 Crowned Roller Dia. |
无密封圈UNSEALED | CF..VBR | MCF..B | |||
| 带密封圈SEALED | CF..VBUUR | KRV..PP | MCF..SB | |||
| 一字槽 Screwdriver slot for mounting. | 圆筒外轮 Cylindrical Roller Dia. |
无密封圈UNSEALED | CF..V | KRV..X | MCF..X | |
| 带密封圈SEALED | CF..VUU | KRV..PPX | MCF..SX | |||
| 球面外轮 Crowned Roller Dia. |
无密封圈UNSEALED | CF..VR | KRV | MCF.. | ||
| 带密封圈SEALED | CF..VUUR | KRV..PP | MCF..S | |||